
遵循標準:
SECULIFE ST 儀器特點:
被測儀器可以的連接類型有:
– 多種總線連接方式的插頭通過或者不通過一個適配器連到測試插座上。
– 如果被測儀器沒有總線插頭可以連接到連接插孔上。
– 可以用加長的線纜和一個適配器通過或者不通過復式輸出插座進行連接。
– 連接到工作接地和功能接地。
– 達10個應用部分可以獨立地或者共同的連接
總線極性反轉:總線極性反轉不必人工進行操作。極性反轉在測試過程中內部自動完成。
自動識別:可以自動識別總線連接錯誤和被測儀器的安全等級,在有危險的情況下測試過程自動終止。
顯示功能: 操作菜單,設置參數,測量結果,操作說明,錯誤信息以及在線幫助和原理圖都可以現在背光的點矩陣LCD上面。
三相適配器:市場上滿足三相設備及單相大電流的測試需求
主菜單引導的測試順序:按照測試標準全自動或者手工操作方式
保護電阻測試(4極測量法):測試電流可選擇200mA,10A或者25A
絕緣測試:通過絕緣阻抗,等效泄漏電流,或者高壓測試進行
泄漏電流測試:可以測量對地漏電流、外殼漏電流、患者漏電流以及患者輔助漏電流
耐壓測試:6kV直流耐壓測試可選
PC,打印機和讀碼器配有數據接口:
選件SI 使儀器擴展為帶數字輸入鍵盤的有存儲功能的記錄機,它可以生成所有需要的測試報告。通過PC軟件可以對所有數據進行分析和管理。
SECULIFE ST 儀器特點-附加功能
萬用表:
– 電壓測量(AC DC TRMS)
– 電阻測量
– 可觸及部件電壓測量
功率測試(Power Meter):
– 相電壓
– 負載電流
– 差分電流
– 有功功率(Watt)
– 視在功率(VA)
– 功率因數
– 能耗(Wh)
– 持續時間
溫度測試(Pt 100 or Pt 1000 可選)
SECULIFE ST測試方法及原理圖介紹
保護導體阻值測試:
只針對有保護導體終端的儀器(I類電子設備)
對長度達5米的線纜阻值需要< 0.3 Ω,以后每增加7.5米阻值可以增加0.1 Ω但是Z大不能超過1 Ω
測試電流可選擇200mA,10A或者25A
絕緣阻值測試:
被測儀器的安全性是否由于污物和潮濕的侵入而受到損害,是通過絕緣阻值測試進行鑒定的。
測試電壓: 500 V DC.
在測試中被測儀器導電部分都必須被測試探頭觸及
絕緣閾值:I類儀器 >0.3M Ω(帶加熱部分) >1MΩ(不帶加熱部分), >2MΩ(可接觸導電部分沒有連接到PE)
II類設備>2MΩ, III類設備>250 KΩ

保護導體電流:
保護導體電流是從被測儀器的絕緣部分流到保護導體電流的總和,或者是由儀器的布線引起的電流。
標準規定:
l類儀器 < 3.5 mA或者1 mA / kW,ll類儀器 < 0.5 mA
接觸電流:
接觸電流就是當有人體觸及到被測儀器沒有連接到PE的導電部分時,通過人體流到地的電流
根據標準規定接觸電流閾值為< 0.5 mA

泄漏電流測量:
泄漏電流就是從被測儀器的絕緣損壞部分流到地或者外部導電部分的電流
注意:
泄漏電流也可能會由布線引起,泄漏電流,保護導體電流和接觸電流的測量都是用來確保電氣設備安全性的
保護導體電流和接觸電流可以有三種不同的方法進行測量
直接測量法:
泄漏電流通過電流表直接測量。
優點: 測量精度高,甚至可以測量很小的泄漏電流 (測量接觸電流時優先選擇)。
差分電流測量法:
與 RCCB的工作原理相似,通過一個電流轉換器來比較相線和中性線之間的電流,而把他們之間的差值顯示出來。
優點: 在進行測試時保護導體可以不用斷開 (在進行保護導體電流測量時優先選擇)。
等效泄漏電流測量法:
在等效泄漏電流測量法中,測量電壓是由被測儀器自身產生的, 并同時被施加到相線和中性線導體。測量儀器內部有阻值為 2 kΩ ±20%的電阻,顯示的結果就是被測儀器在額定電壓下通過此電阻的電流值。
優點: 測量不受二次地線影響,電源極性不受影響,測量可重復性高。
SECULIFE ST技術參數-標準測試

SECULIFE ST技術參數-功能測試

高電壓測試(選件F02)


SECULIFE ST基本參數
電源電壓:103.5-126.5V或207-253V
電源頻率:50Hz或60Hz
工作溫度:0-50℃
保護等級:IP40
通訊接口:RS232
儀器重量:4.5kg
帶高壓測試模塊約5.2kg
尺寸:292×138×243mm
292×138×243mm 帶高壓模塊
絕緣阻抗測試
將500伏特直流電壓加到:
輸入(L和N短接)和外殼(1級保護性接地)之間(左圖),測試結果不超過2MΩ;
應用部件和外殼(第1類保護接地)之間(右圖),測試結果不超過10MΩ。
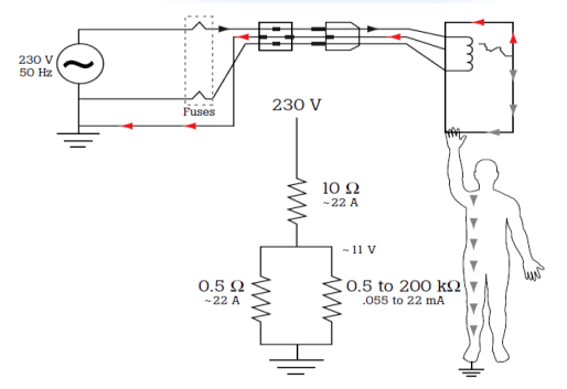
為什么要進行泄漏電流測試?
電流對人體生理上的影響
1區: 使人體產生觸電感覺的Z小電流
2區: 生理上對人體沒有副作用,能夠自由擺脫帶電體
3區: 通過人體能引起心室纖維性顫動的Z小電流值,也許不會對心臟造成器質性的傷害,可能讓人呼吸困難
4區: 除出現3區的病理反應外,還會出現可能導致死亡的心室纖維以及心臟停跳,呼吸停止,嚴重燒傷等反應,并且隨時間的增大而加劇。
漏電流
對地漏電流:由網電源部分穿過或跨過絕緣流入保護接地導線的電流。
外殼漏電流:從正常使用時操作者或患者可觸及的外殼或外殼部件(應用部分除外),經外部導電連接而不是保護接地導線流入大地或外殼其他部分的電流。
患者漏電流1:從應用部分經患者流入地的電流或是由于患者身上意外出現一個來自外部電源的電壓而從患者經F型應用部分流入地的電流。
患者漏電流2:由于在患者身上意外地出現一個來自外部電源的電壓而從患者經F型應用部分流入地的電流。
患者漏電流3:表面間接觸電流(Surface to Surface Leakage Current)在正常或是單一故障條件下,設備與地無關聯任意兩點之間的漏電流,電流從設備的一部分流經人體后流入設備的另一部分。
患者輔助漏電流:正常使用時,流入處于應用部分之間的患者的電流,此電流預期不產生生理效應。
單一故障狀態
對地漏電流、外殼漏電流、患者漏電流及患者輔助漏電流,應在下列單一故障狀態下進行:
- 每次斷開一根電源導線;
- 斷開一根保護接地導線(對地漏電流不適用),若是安裝的導線不需要進行這一測量。
患者漏電流應在下列單一故障狀態下測量,將Z高額定網電源電壓值的110%的電壓加到地與任一信號輸入或輸出部分之間。
在制造商規定信號輸入或輸出部分與存在外部電壓相連是,需要將將Z高額定網電源電壓值的110%的電壓加到地與任一信號輸入或輸出部分之間來測量外殼漏電流。
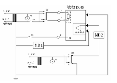
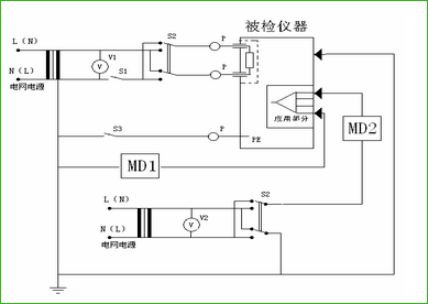
對地漏電流測試
檢測儀器對被測設備MD電源端輸入110%額定電壓,通過檢測儀器內部的人體模擬電路(MD),測量對地漏電流值。
S2:電源極性切換
S1:斷開一根電源導線

正常狀態:
S1閉合,S2極性正常
S1閉合,S2極性反轉
單一故障狀態:
S1斷開,S2極性正常
S1斷開,S2極性反轉
外殼漏電流
MD1測量的是從外殼的每一部分到地的漏電流
MD2測量的是外殼各部分之間的漏電流
S1:斷開一根電源導線
S2:電源極性切換
S3:保護接地閉合/斷開
正常狀態:
S1閉合,S2極性正常or反轉
S3閉合,S2極性正常or反轉
單一故障狀態:
S1斷開,S2極性正常or反轉
S3斷開,S2極性正常or反轉
患者漏電流測試(MD1)
測量患者漏電流,檢測儀器必須輪流地從每個患者連接點進行測量
MD1測量的是從應用部分經患者流入地的漏電流
S1:斷開一根電源導線
S2:電源極性切換
S3:保護接地閉合/斷開

正常狀態:
S1閉合,S2極性正常or反轉
S3閉合,S2極性正常or反轉
單一故障狀態:
S1斷開,S2極性正常or反轉
S3斷開,S2極性正常or反轉
患者漏電流測試(應用部分加網電源電壓MD2)
MD2測量的是由于患者身上意外出現一個來自外部電源的電壓而從患者經F型應用部分流入地的電流。
S2:電源極性切換
S1:斷開一根電源導線
正常狀態:
S1閉合,S2極性正常or反轉
單一故障狀態:
S1斷開,S2極性正常or反轉
患者輔助漏電流測試
S1:斷開一根電源導線
S2:電源極性切換
S3:保護接地閉合/斷開
正常狀態:
S1閉合,S2極性正常or反轉
S3閉合,S2極性正常or反轉
單一故障狀態:
S1斷開,S2極性正常or反轉
S3斷開,S2極性正常or反轉
