SECULIFE ST結構介紹
前面板

選擇開關

-Function Test:功能測試
- Auto:根據選擇的標準按順序自動測試
- PE:保護導體測試
- Iso/ HV:絕緣測試/ 高壓測試
- I leakage:漏電流測試
- V Ω:多用表功能
- Aux:附加的多用表功能
- Setup:設備的參數設置
功能介紹

設定儀器的參數(Setup)
在進行操作之前首先要設定基本的參數,先把選擇開關打到SETUP的位置,按下確定鍵后就會出現如左面所示的界面:
此界面下可以設定的參數有:
測試的閾值如:背光,測試時間,參考電壓,接地錯誤判斷電流,測試等待時間等。
測試順序如:單次錯誤,自動分類存儲,測試誤差,是否為IT系統,錯誤聲音報警,功能聲音報警,直接打印報表,時間是其設定等。
保護接地阻抗測試(PE)

測量方法:
? 在儀器外殼上所有可接觸部分與總線的接地點或者插座之間,對于位置不變的儀器測試終端保護電阻的值。
?與四極測量法相似
? 對于連接線纜測量的是總線插座的接地點和儀器上插座的接地點之間
?對于延長線測試的是總線插座接地點和復合插座的接地點
注意事項:
在測試,維修,改裝的過程中測試線纜的位置盡量遠離儀器。如果測試過程中發現阻抗值有改變,那么就可以認為保護電阻損壞或者線纜出了問題。
測試的電流值200mA DC,10A AC或者25A AC以及測試的極性都可以通過上下翻頁鍵來改變。
如果在測試的過程中出現儀器過熱的情況,那么測試必須在等待一分鐘后才能進行下一步的測量。
絕緣測試

注意事項:
在連線之前切斷被測儀器的供電電源。
摘除被測儀器的保險,斷開內部中性電阻。
測試電壓為500v,接觸被測儀器的任何部分都有觸電危險。
在測試過程中被測儀器的所有開關都要處于打開的狀態,這同樣也適用與由溫度控制的開關。如果被測儀器由程序控制的,那么所有被程序控制下的狀態都要求進行測試。
Nominal voltage的設定范圍是50 V 到550 V DC。
高壓測試
單獨測試:
?把旋炫輪打到Iso/HV位置
?選擇U-HV菜單并確認
?檢查被測儀器是否打開,如果未打開屏幕上給出提示
?選擇好需要的額定電壓,然后儀器自動乘1.5做為測試的直流電壓。
?測試電壓被加到插口以及儀器上,同時發出聲音信號。
選件F02才有此功能。
此功能是在直流電壓進行的,為了跟交流電壓情況相符,所用直流電壓的值是相應交流額定電壓的1.5倍。
在測試的過程中隨時對交流電壓的值進行測量,測試過程中的Z小電壓值作為Z后的結果,如果Z終值比先前設定值小,此次高壓測試失敗。
注意:由于此款儀器獨特的設計方法所以DIN VDE 0104不需要完全遵循。這是由下面兩點保證的:1.連續直流短路電流小于3mA。2.在5.25KV的高壓下的能量釋放小于350mJ。
盡管有著Z小的連續泄漏電流,但是為了盡可能遵循高也測試的規則,連接到插座的充電電容采取了比較小的保護阻抗,這樣就導致了達到5A的峰值短路電流從而引起了明顯的能聽到和看到的電火花。
高壓測試只能通過有良好接地的測試插口進行,測試過程產生高壓不可隨意觸摸被測儀器的任何部分。
漏電流測試

選擇 Ixx 測量并開始
每次線電壓加載到測試插座,
如果在漏電流菜單中選擇翻轉功能,則 L 和 N 翻轉
IPE對地漏電流
IHL外殼(接觸)漏電流
IPL患者漏電流
IPA患者輔助漏電流
IRC殘余電流
ILC設備漏電流
注意:
在漏電流測量時一定要確認被測設備是操作在線電壓下,裸露導體部件測試時可能帶電,因此,在任何情況下不能接觸。(當漏電流高于 10mA 左右,電源關閉)
接地漏電流 IPE
電流從電源通過絕緣體到保護導體,然后流到大地。
注意!在此測試中,保護導體失去作用。

外殼漏電流 IHL(探頭電流、接觸電流)
電流從沒有連接保護導體的外殼通過外部導體連接到大地或別的外殼部件。這種情況下通過保護導體的電流流動是不可以的。
交流部件可測量。如果執行單個測試(替代測試程式),則直流部件同樣可以被測量。
患者漏電流 IPL

電流從應用部分通過患者流到大地,該電流可能由在患者處無意識的干擾而引起,并且流動可能通過患者和絕緣體還有類型 F 應用部件到大地。這兩種情況下有用的患者電流卻被抵制。
注意!如果應用部件被使用,必須測量患者漏電流。顯示的測試電壓必須生成文件。
患者輔助電流 IPA

電流流動在應用部件的電極之間的患者內部,假定應用于預期的目的,并且電流不應該引起任何生理影響。
殘余電流 IRC
在設備電源連接上,流過 L 和 N 導體的瞬間電流值的和(也就是差分電流)。殘余電流實際上是一個錯誤事件的故障電流,故障電流:是絕緣缺陷和流過缺陷點引起的電流。
設備漏電流 ILC

設備漏電流是從外殼、全部易受影響的導體部件和所有應用部件到PE的總和。測量必須運行于電源的兩個極并且Z大值要生成文件。
注意!高設備漏電流值和線電壓必須生成文件。這個測試期間,保護導體被斷開。
IEC60601標準要求

萬用表功能
選擇開關選定相應的位置,按下確認鍵進入萬用表測試功能,界面如下圖所示:
此程序下的主要功能有三項:
Uprobe:測量的是測試儀器的PE終端和探針之間的電壓,在IEC61010中還可以選擇是在PE正常的狀態下還是斷開兩種情況的測試
UAC/DC:大達253V的直流、交流、脈沖電壓都可測量。
電阻:可以測量PE和N之間大150K電阻。
輔助測試功能
選擇開關選定相應的位置確認后,就會出現如左下方所示的界面
此界面下的操作功能:
測量交流電流:用一個具有轉換功能的夾具可以測量從1mA到10A和1A到100A兩個范圍內的交流電流,此時夾具兩端分別連接到安規測試儀的N(2)和L(3)。
測量保護接地電阻:用WZ12C電流轉換夾具測量保護接地阻抗。
溫度測量:用PT100/PT1000測量范圍為-200℃-+800 ℃.
功能性測試
選擇開關首先要打到相應的位置在(Function Test),這樣被測儀器就可以通過安規儀內部的插槽提供一個線電壓進行功能性測量。
功能性測量也可以在被測儀器通過安全測試后按照選定的標準立即進行測量。
測試項目:
– 被測儀器L和N之間的電壓。
– 剩余電流
– 負載電流
– 有功功率
– 視在功率
– 功率因數
– 消耗能量
功率因數是由有功功率和視在功率計算出來的,正弦量和余弦量是等同的,都源于線電壓和負載電流的值。
此模式下還可以對N和L之間以及N或L與保護接地電阻之間的短路電流進行測量
如果顯示信號燈閃爍證明可以按下按鍵把線電壓施加到測試插座上,測試可以開始了。如果信號燈一直處于點亮狀態,說明線電壓已經施加到插座上了。
注意!
功能測試的開始出于安全的理由在開始功能測試之前被測設備必須關閉,這是防止被測設備的意外啟動可能會造成傷害。
功能測試全部完成之后,被測設備必須用自身的開關關閉,特別是高感應率的設備。
自動測試
此功能下可以按照既定的國家或國際標準進行自動測試,并把數據存儲下來生成測試報告。
準備工作:
– 接好測試儀器的電源。
– 把被測儀器連接到安規儀的測試插座上,并對被測儀器的接頭類型進行識別。
– 把選擇開關放到相應的位置,對被測儀器的安全類型進行識別。
– 在儀器的初始操作窗口中選擇好要測試的標準,如果以后都按照這個標準測試,那么可以把設定值存儲下來,否則下次測試時要重新設定。
– 在儀器的開始主菜單里可以設定測試參數的順序。
– 選擇開始測試按鍵并確認后,測試就可以自動進行了。
測試順序:
測試可以被設定為人工操作,每一步都再按下確認鍵后按順序進行,也可以不用人為干擾由程序控制按順序進行。
– 肉眼觀察(要在開始菜單中設定)
– 保護電阻測量(I類電器)
– 保護電阻估值測試
– 高壓測試,遵照IEC 60601
– 絕緣阻抗測試,遵照IEC 62353/IEC60601
– 絕緣電阻估值測試
– 泄漏電流測試。
– 泄漏電流測試值估測。
– 對總體測試結果進行估計。
– 如果需要,重新進行測試。
– 顯示測試結果,存儲并打印。
按照IEC60601標準進行自動測試:
下面的漏電流和輔助電流可以遵照上面的標準測量,同樣適用于正常和單一故障的情況:
– 保護導體測量 RPE,測試電流: 10A AC或25A AC 測試電流)
– 接地漏電流測量 IPE
– 外殼漏電流 IHL
– 等效患者漏電流 IEPL
– 患者漏電流 IPL(應用部件的標稱電壓)
– 患者輔助電流 IPX
配置應用部分:
在這里輸入是否測試應用部件,從插口 A 到 K(用于連接電纜或探頭)可以分配成不同的組(應用部件)共同測試。
選擇與設置測試組合
用光標選擇測試組合1、2、5或10個應用部分并用確認鍵確認。
至少選擇1組應用部分,返回到主界面進行自動測試
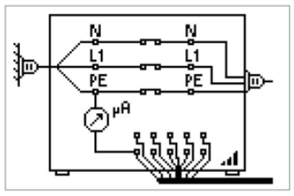
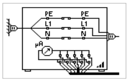
自動測試儀器連接:
如下圖為分開的連接方式,兩臺儀器連接在不同的電源上,但是共用保護接地。
下圖為另一種連接方式,安規儀連接到總電源上,被測儀器接在測試插口上,只有這種接線方式可以實現L和N自動翻轉功能
存儲模塊PSI(附件)和數據庫操作
當一項測試完成后,測試的結果都可以被存儲在PSI模塊的存儲器中。
– 按下模塊的STORE鍵,就會出現一個文本的輸入界面。
– 在這個界面下可以輸入此次測試的信息及序列號。
– 再次按下存儲鍵就可以把輸入的信息保存在存儲器。
數據庫的管理和操作:
對于每一個測試功能Z多可以通過電腦下載125個測試的次序,如果沒有連接PSI附件那么所有的測試結果都將存儲在同一個數據庫里面。
如果連接了存儲模塊,那么測試結果就存儲到模塊里,這時數據庫可以有多種應用。
a. 可以查看存儲的數據,也可以選擇需要的測試次序。
b. 如果序列號功能在開始菜單被激活,那么序列號的前兩位表示測試的順序,如ID number = 037890sk3r,表示的是執行的是次序為03的操作。
c. 被執行過的測試次序同樣做為測試結果被存儲下來,測試的結果也可以過后在系統設定的測試次序子菜單下顯示出來。
– 如果存儲模塊沒有被連接,那么Z多達125個測試報告可以存儲在測試儀器里。測試報告可以通過DA-II軟件或者終端程序被查詢和打印出來。
– 數據是按照時間日期和ID號碼存儲下來的,如果沒有指定ID號碼,那么儀器就時間日期存儲測試內容。
– 在測試結果主菜單里面可以存儲4個報告的模板,模板既可以從PC上下載到測試儀器上,也可以從測試儀器上傳到PC中并被編輯和保存
– 當一項測試完成后,測試結果就可以通過RS232接口在數據庫中讀出并傳送到測試報告的模板里,測試結果只能通過DA-II適配器和RS232接口讀到打印機或者PC上面。
– 存儲在測試儀器中的結果可以任一種報告模板的形式被演示,編輯,打印,保存。
存儲模塊PSI
通過打印或者存儲鍵激活PSI菜單
– 輸入測試信息
– 輸入客戶信息
– 輸入維修記錄
以下是測試結果的模板
從表中我們可以得到客戶名稱,操作人員,儀器型號,安全等級,測試時間,測試的項目和結果,Z后還有操作人員對此次測試的描述等
軟件Z853編輯出來的測試報告
保養和校準
外殼:外殼沒有特殊的保養要求,保持外部表面的清潔,要用微濕的麻布清洗,不能使用去污劑,有腐蝕及溶解能力的藥劑。
校準:依照2004年6月1號通過的DIN VDE 0702:2004-06標準,用來進行定期測量的測試儀器必須定期校準。
儀器的后續處理:安規測試儀是符合德國電子電器儀器法規的類別為9的產品,我們確認我們的儀器符合環保標準并且不能被隨意丟棄,如果您有舊的儀器要處理請與我們的服務部門了聯系。