發布時間:2022年08月15日 作者:德國GMC-I高美測儀(上海電勵士)
一、醫療設備漏電流測試法(替代法)--醫療設備絕緣安規測試
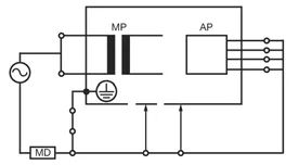
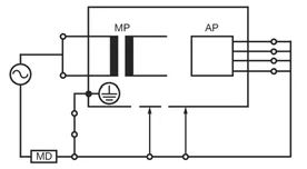
設備漏電流通過施加一個(~230V, 50Hz) 交流電在電源輸入(L和N相連,Ⅰ類器具)和輸出 (應用部分)包括外殼之間,如圖1和圖2所示。
圖1

圖2
二、醫療設備漏電流測試應用部分漏電流測試法(替代法)
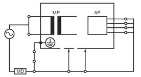
僅適用于浮地應用部件(BF & CF),應用部件泄露電流是通過將電壓 (~230V, 50Hz) 施加在輸出(僅應用部件)和外殼(Ⅰ類器具)和輸入之間,如圖3和圖4所示。
圖3

圖4
測試電壓為電源線電壓,頻率為50Hz,這意味著泄露電流路徑和實際操作時相似。這避免了EMC濾波和過載保護的影響,并且提供了一個將容性和感性因素都考慮進去的更準確的測試結果。
然而,替代泄露電流法依然有其局限性,因為任何的電子開關都不是開的狀態,并且繼電器或其它可能影響測量結果的回路可能沒有接通。
替代法得到的測量結果可以和IEC60601中N斷開這一單一故障條件下的泄漏電流限值進行比較。在對比IEC60601中接地漏電流和IEC62353替代法時,結果顯示兩種測量結果之間存在比例關系,即替代法結果差不多是接地漏電流的兩倍,在正常條件下。
因為待測物不需要被開啟,所以替代法也是一個快捷安全的用來驗證絕緣有效性的方法。由于測試時電源的L/N相連,所以沒有極性反轉的要求,節省時間。再加上更加準確和真實的數據,使之成為一個安全可靠的測試方法。
盡管醫療設備制造商仍然有責任對于他們的產品提供測試建議,新標準的提出,將會對醫療設備公司,生物醫療和臨床工程等醫療服務領域產生顯著影響。